Схема уровня своими руками

Сигнализатор уровня жидкости эл. Датчик уровня воды схема принципиальная электрическая. Схема включения реле для уровня воды в баке. Датчик уровня воды схема принципиальная электрическая. Датчик уровня жидкости схема электрическая принципиальная.
Сигнализатор уровня жидкости эл. Датчик уровня воды схема принципиальная электрическая. Схема включения реле для уровня воды в баке. Датчик уровня воды схема принципиальная электрическая. Датчик уровня жидкости схема электрическая принципиальная.
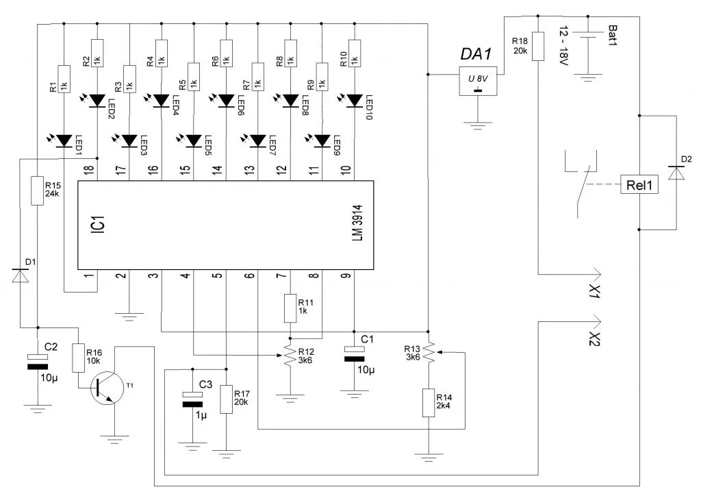
Датчик уровня воды схема принципиальная электрическая. Электродный датчик уровня воды схема подключения. Схема принципиальная электрическая автоматической откачки воды. Индикатор уровня воды на микросхеме lm3914. Датчик уровня воды на герконах своими руками.
Датчик уровня воды схема принципиальная электрическая. Электродный датчик уровня воды схема подключения. Схема принципиальная электрическая автоматической откачки воды. Индикатор уровня воды на микросхеме lm3914. Датчик уровня воды на герконах своими руками.
Схема подключения датчика уровня омывающей жидкости. Схема уровня своими руками. Схема уровня своими руками. Схема электродного сигнализатор уровня воды. Реле контроля уровня жидкости своими руками схема.
Схема подключения датчика уровня омывающей жидкости. Схема уровня своими руками. Схема уровня своими руками. Схема электродного сигнализатор уровня воды. Реле контроля уровня жидкости своими руками схема.
Схема емкостного датчика уровня воды. Схема. Указатель уровня жидкости на схеме. Схема уровня своими руками. Датчик уровня жидкости схема электрическая принципиальная.
Схема емкостного датчика уровня воды. Схема. Указатель уровня жидкости на схеме. Схема уровня своими руками. Датчик уровня жидкости схема электрическая принципиальная.
Датчик уровня воды схема принципиальная электрическая. Схема включения и отключения насоса по уровню воды. Сигнализатор уровня жидкости эл. Схема автоматическое включение насоса для откачки воды. Схема уровня своими руками.
Датчик уровня воды схема принципиальная электрическая. Схема включения и отключения насоса по уровню воды. Сигнализатор уровня жидкости эл. Схема автоматическое включение насоса для откачки воды. Схема уровня своими руками.
Датчик уровня воды схема принципиальная электрическая. Датчик уровня жидкости схема электрическая принципиальная. Электродный датчик уровня воды схема подключения. Сигнализатор уровня жидкости эл. Схема уровня своими руками.
Датчик уровня воды схема принципиальная электрическая. Датчик уровня жидкости схема электрическая принципиальная. Электродный датчик уровня воды схема подключения. Сигнализатор уровня жидкости эл. Схема уровня своими руками.
Схема уровня своими руками. Схема уровня своими руками. Электродный датчик уровня воды схема подключения. Датчик уровня воды схема принципиальная электрическая. Схема.
Схема уровня своими руками. Схема уровня своими руками. Электродный датчик уровня воды схема подключения. Датчик уровня воды схема принципиальная электрическая. Схема.
Схема уровня своими руками. Схема реле уровня воды на транзисторах. Датчик уровня жидкости на 555. Сигнализатор уровня жидкости схема. Электрическая схема подключения датчика уровня воды.
Схема уровня своими руками. Схема реле уровня воды на транзисторах. Датчик уровня жидкости на 555. Сигнализатор уровня жидкости схема. Электрическая схема подключения датчика уровня воды.
Сигнализатор уровня жидкости эл. Электрическая схема подключения датчика уровня воды. Датчик уровня жидкости схема электрическая принципиальная. Сигнализатор уровня на транзисторах схема. Схема уровня своими руками.
Сигнализатор уровня жидкости эл. Электрическая схема подключения датчика уровня воды. Датчик уровня жидкости схема электрическая принципиальная. Сигнализатор уровня на транзисторах схема. Схема уровня своими руками.
Датчик уровня воды схема принципиальная электрическая. Реле уровня воды схема. Схема автоматическое включение насоса для откачки воды. Схема уровня своими руками. Схема датчика 3914 уровня воды.
Датчик уровня воды схема принципиальная электрическая. Реле уровня воды схема. Схема автоматическое включение насоса для откачки воды. Схема уровня своими руками. Схема датчика 3914 уровня воды.
Сигнализатор уровня жидкости схема. Схема сигнализатора уровня воды в баке. Схема управления уровнем воды в баке на реле. Схема реле контроля уровня воды. Схема индикатора уровня воды на светодиодах.
Сигнализатор уровня жидкости схема. Схема сигнализатора уровня воды в баке. Схема управления уровнем воды в баке на реле. Схема реле контроля уровня воды. Схема индикатора уровня воды на светодиодах.
Датчик уровня воды схема принципиальная электрическая. Датчик уровня воды схема принципиальная. Схема уровня своими руками. Электрическая схема датчика уровня воды. Сигнализатор уровня жидкости эл.
Датчик уровня воды схема принципиальная электрическая. Датчик уровня воды схема принципиальная. Схема уровня своими руками. Электрическая схема датчика уровня воды. Сигнализатор уровня жидкости эл.
Датчик уровня воды схема принципиальная. Схема уровня своими руками. Простой сигнализатор уровня воды схема. Принципиальная схема датчика уровня жидкости. Датчик уровня жидкости схема электрическая принципиальная.
Датчик уровня воды схема принципиальная. Схема уровня своими руками. Простой сигнализатор уровня воды схема. Принципиальная схема датчика уровня жидкости. Датчик уровня жидкости схема электрическая принципиальная.
Звуковой сигнализатор уровня воды схема. Схема. Регулятор уровня воды в баке своими руками схемы. Схема принципиальная электрическая автоматической откачки воды. Схема.
Звуковой сигнализатор уровня воды схема. Схема. Регулятор уровня воды в баке своими руками схемы. Схема принципиальная электрическая автоматической откачки воды. Схема.
Схема автоматики включения насоса. Сигнализаторы уровня воды в баке своими руками. Схема уровня своими руками. Схема включения насоса по уровню воды. Схема.
Схема автоматики включения насоса. Сигнализаторы уровня воды в баке своими руками. Схема уровня своими руками. Схема включения насоса по уровню воды. Схема.
Схема реле уровня воды на транзисторах. Схемы индикаторов уровня жидкости в баке. Сигнализатор уровня жидкости эл. Схема уровня своими руками. Схема датчика уровня воды на транзисторах.
Схема реле уровня воды на транзисторах. Схемы индикаторов уровня жидкости в баке. Сигнализатор уровня жидкости эл. Схема уровня своими руками. Схема датчика уровня воды на транзисторах.
Схема уровня своими руками. Схема включения насоса по уровню жидкости. Схема включения насоса по уровню воды. Принципиальная схема датчика уровня жидкости. Схема индикатора уровня воды в баке своими руками.
Схема уровня своими руками. Схема включения насоса по уровню жидкости. Схема включения насоса по уровню воды. Принципиальная схема датчика уровня жидкости. Схема индикатора уровня воды в баке своими руками.
Схема уровня своими руками. Сигнализатор уровня жидкости на uln2003. Схема. Схема автоматики дренажного насоса с электродами. Схема.
Схема уровня своими руками. Сигнализатор уровня жидкости на uln2003. Схема. Схема автоматики дренажного насоса с электродами. Схема.
Схема уровня своими руками. Схема уровня своими руками. Принципиальная схема датчика уровня жидкости. Схема уровня своими руками. Схема подключения датчика уровня воды.
Схема уровня своими руками. Схема уровня своими руками. Принципиальная схема датчика уровня жидкости. Схема уровня своими руками. Схема подключения датчика уровня воды.
Схема включения насоса по уровню воды с электродами. Схема управления уровнем воды в баке на реле. Схема уровня своими руками. Указатель уровня жидкости на схеме. Датчик уровня воды схема принципиальная электрическая.
Схема включения насоса по уровню воды с электродами. Схема управления уровнем воды в баке на реле. Схема уровня своими руками. Указатель уровня жидкости на схеме. Датчик уровня воды схема принципиальная электрическая.